|
|
|
Научно-популярный образовательный ресурс для юных и начинающих радиолюбителей - Popular science educational resource for young and novice hams Основы электричества, учебные материалы и опыт профессионалов - Basics of electricity, educational materials and professional experience |
|
|
MEMO_BOX — это проект с питанием от батареи и датчиком движения для записи/воспроизведения звука, который поможет вам вспомнить то, что вы могли забыть; будь то встречи, прием лекарств и т. д.Прежде чем вы перестанете читать, потому что увидите слова «питание от батареи», вы должны знать, что это устройство может работать много месяцев на трех батареях AAA, в зависимости (конечно) от того, как часто оно срабатывает.

РИСУНОК 1. Готовый MEMO_BOX, установленный на моей дверной раме.
У меня есть один рядом с моей входной дверью ( рис. 1 ), на который я записываю голосовые сообщения, такие как:
«У тебя есть телефон и ты принял лекарство?»
«Запись к стоматологу в среду. Забери Ноя в 15:00».
Воспроизведение происходит автоматически, когда я приближаюсь к двери. Я видел окна напоминаний, которые требуют нажатия кнопки воспроизведения, и я готов поспорить, что многие из них не используются. С детектором движения нельзя игнорировать принятие решений. У меня дома есть еще одна коробка вдоль тропы через лес, которую я использую для шуток, например: «Подними меня, Скотти». Здесь нет разумной жизни. MEMO_BOX также хорошо подходит для приколов на Хэллоуин.
MEMO_BOX состоит из следующего:
Детектор параллакса. Оценочная плата диктофона Nuvoton I16-COB20. Пользовательская схема макетной платы. Три батарейки ААА в держателе с проводами. Динамик (восемь Ом)
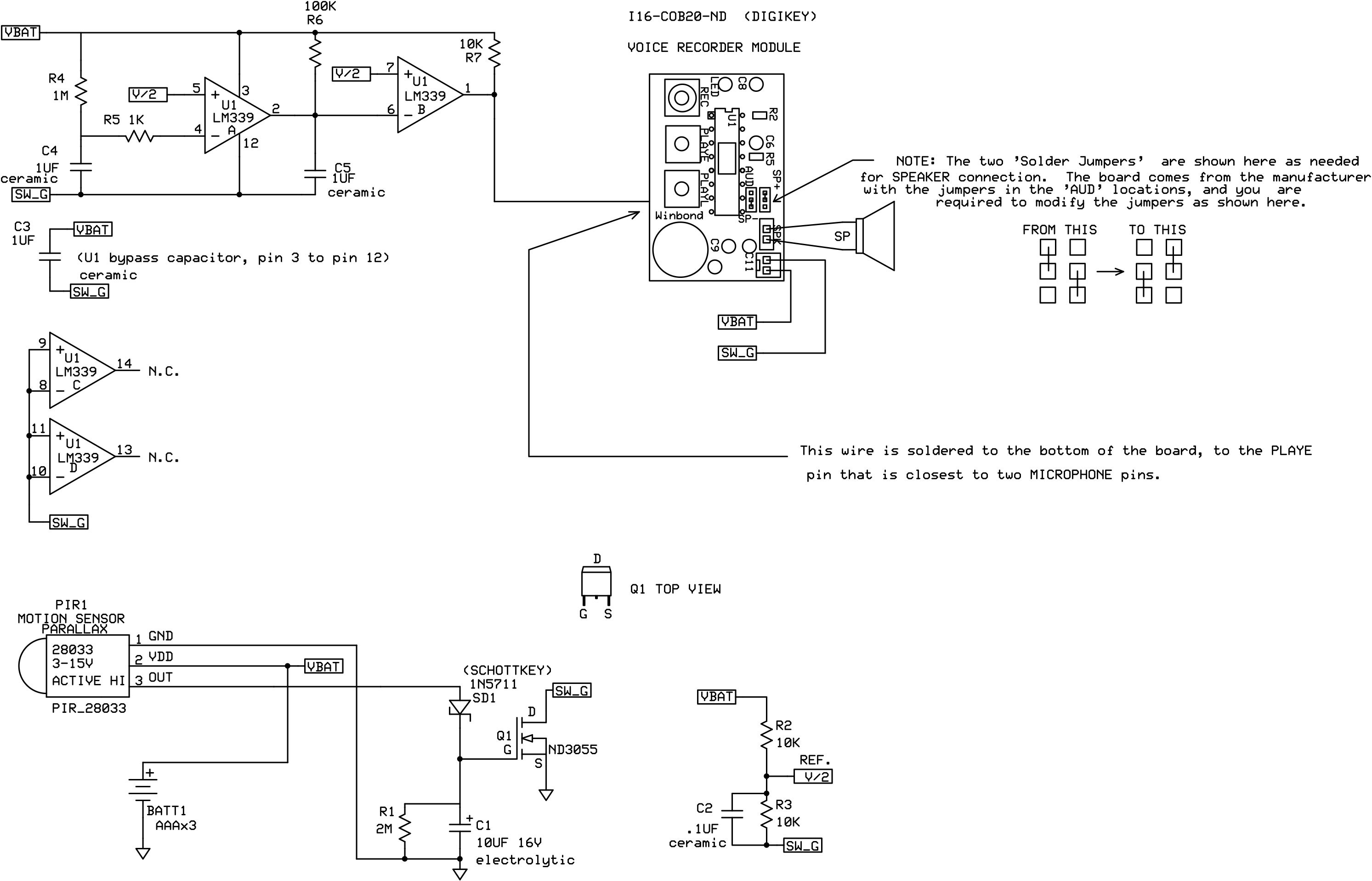
Nuvoton I16-COB20 — это оценочная плата с чип-кордером, которая стоит менее 7 долларов от Digi-Key. Добавьте источник питания и динамик, и у вас есть все необходимое для простой записи голоса. MEMO_BOX имеет кнопку RECORD, кнопку PLAYE и кнопку PLAYL. Разница между двумя последними состоит в том, что PLAYE можно нажать и отпустить для воспроизведения всего записанного сообщения, тогда как PLAYL остановит воспроизведение, когда вы отпустите кнопку. Запись останавливается, когда вы отпускаете кнопку RECORD или когда достигается максимальное время записи, равное приблизительно 10 секундам. Детектор движения Parallax стоит около 11 долларов от Digi-Key и рассчитан на 3-15 В постоянного тока. Он потребляет всего около 20 мкА, что делает его идеальным для проектов с батарейным питанием. Его выход становится ВЫСОКИМ примерно на три секунды при обнаружении движения. Это довольно чувствительно; настолько, что мне пришлось найти способ уменьшить чувствительность. В противном случае он сработает с 20 футов, когда мимо пройдет собака, что вскоре сведет с ума всех в доме. Это может подойти для наружного применения, но мне нужно, чтобы он срабатывал только тогда, когда я приближаюсь к входной двери. Спойлер: прикрыть детектор движения куском нейлоновой оконной сетки вполне можно. Подробнее об этом позже. Пользовательская макетная плата выполняет две функции: переключение питания в ответ на сигнал от детектора движения; и запуск входа PLAYE на I16-COB20. См . схему на рис. 2 .
РИСУНОК 2. Схема MEMO_BOX; создан с помощью ExpressPCB.
Секция POWER SWITCHING предназначена для подачи питания на все, кроме детектора движения, который постоянно получает питание. Детектор холостого хода потребляет всего около 20 мкА. При обнаружении движения HIGH-выход включает полевой МОП-транзистор Q1. Большинство из нас привыкло видеть, что питание переключается на стороне высокого напряжения (VBAT) с общим заземлением в качестве возврата для всех цепей. Здесь все сделано по-другому, в основном потому, что я хотел использовать один из моих N-канальных МОП-транзисторов (U1). Глядя на схему, единственными компонентами, подключенными к земле, являются датчик движения, R1 и C1. Остальная часть схемы, включая модуль чип-кордера I16_COB20, имеет свои возвраты, подключенные к тому, что я называю SW_G (коммутируемая земля). Когда MOSFET Q1 включен, SW_G и земля батареи практически одинаковы из-за очень низкого сопротивления Q1 в открытом состоянии. Когда Q1 выключен, утечка тока происходит только из-за датчика движения. Q1 включается, когда на выходе детектора движения появляется ВЫСОКИЙ уровень. Порог включения затвора Q1 находится где-то между 1,7 и 2 вольтами. Помимо включения Q1, выход детектора движения также заряжает конденсатор C1. Выход детектора движения становится НИЗКИМ примерно через три секунды, поэтому диод SD1 предотвращает разрядку C1 детектора движения, когда его выход становится НИЗКИМ. Нам нужно, чтобы C1 поддерживал Q1 в течение некоторого желаемого промежутка времени. Нам нужен резистор R1, чтобы медленно разряжать C1, чтобы выключать Q1 в конце желаемого промежутка времени. Выбор значений для R1 и C1 несколько критичен. Если C1 разряжается слишком быстро, мы не получим максимальное 10-секундное время записи, которое предлагает I16-COB20. Если C1 разряжается слишком медленно, мы не только тратим впустую энергию батареи, но и увеличиваем время ожидания, пока детектор движения не сможет повторно активировать I16-COB20. Схема запуска U1 вокруг U1 работает при ВКЛЮЧЕНИИ питания, поэтому мы должны отключить питание, прежде чем мы сможем запустить. Значения 2M и 10 мкФ для R1 и C1 работают хорошо. Мы получаем время включения где-то между 12 и 14 секундами; достаточно долго, но не слишком долго. Секция PLAYE TRIGGERING предназначена для запуска воспроизведения один раз и только один раз после пробуждения. (Пробуждение происходит, когда детектор движения переводит свой выходной сигнал в ВЫСОКИЙ уровень в ответ на обнаруженное движение.) Основой запуска является компаратор LM339, из которых используются только два из четырех компараторов. Цель состоит в том, чтобы подождать несколько миллисекунд после пробуждения (с выходом U1B, установленным высоким R7), затем перевести выходы в низкий уровень на несколько миллисекунд, а затем снова дать ему стать высоким. Этот выход подключен к переключателю PLAYE на модуле I16-COB20, поэтому высокий/низкий/высокий импульс заставляет модуль воспроизводить подсказку один раз. После создания импульса мы хотим, чтобы выходы U1A всегда оставались ВЫСОКИМ (или до тех пор, пока не отключится питание). Полезно посмотреть на схему. Здесь есть два таймера: U1B, R6 и C5 (справа) составляют более короткий таймер, который вызывает переход от высокого к низкому фронту (который запускает воспроизведение); а U1A, R4 и C4 (слева) составляют более длинный таймер, который вызывает переход от низкого к высокому фронту (который завершает импульс). При пробуждении и C4, и C5 разряжены, поэтому выход на U1B будет ВЫСОКИМ из-за подтягивающего резистора R7. Нам нужен этот короткий период высокого уровня после пробуждения, чтобы дать модулю время выполнить необходимую ему процедуру сброса. Важно помнить, что выходы LM339 имеют открытый сток, а это значит, что он может работать на низком уровне, но не на высоком. Эта характеристика используется на соединении выхода U1A. Как только C4 зарядится настолько, что выход на выводе 2 станет низким, он останется низким до тех пор, пока не произойдет сбой питания. В результате получаем нужный один (и только один) импульс на выходе U1B, который завязан на вход PLAYE на модуле I16-COB20. I16-COB20 требует модификации для прямого управления динамиком. Опять же, обратитесь к схеме в правом верхнем углу для деталей. Также см. Рисунок 3A и Рисунок 3B для фотографий модификации «до и после».

РИСУНОК 3А. Модуль I16_COB20 ДО модификации.

РИСУНОК 3Б. Модуль I16-COB20 ПОСЛЕ модификации.
Он включает в себя перемещение двух капель припоя на противоположные контактные площадки. (Здесь может помочь немного флюса и немного фитиля припоя.) Рекомендуется сначала протестировать I16-COB20, прежде чем выполнять всю остальную работу. Я купил четыре из них, и один из них не работал. Все, что вам нужно для тестирования, это четыре временных провода (два для питания и два для динамика). При желании вместо батареек можно использовать блок питания 5 В.
На рис. 4 показано это временное подключение для тестирования.

РИСУНОК 4. Тестовая установка I16-COB20.
Нажмите кнопку REC, после чего должен загореться красный светодиод, указывающий на запись. Говорите в микрофон, затем отпустите кнопку REC. Затем нажмите и отпустите кнопку PLAYE, и вы должны услышать свой голос. «Качество звука плохое», — скажете вы, и это правильно. Но не волнуйтесь. Корпус значительно улучшится. Я обсуждал создание корпуса с нуля, но, к счастью, я искал «маленькие деревянные ящики» на Amazon и нашел один (6 x 4 x 2 дюйма) за 6,53 доллара, который идеально подходит для этого проекта. Попробуйте ввести «9151-50» и прокрутите вниз, пока не увидите его. (Мне трудно оправдать покупку петель, застежки и дерева, а затем выполнение всей работы, когда я могу купить их по такой низкой цене.) На рис. 5 показаны основные компоненты, размещенные внутри корпуса.

РИСУНОК 5. Расположение компонентов внутри корпуса.
Детектор движения будет установлен внизу макетной платы, но у меня он лежит сверху, чтобы вы могли видеть, как он выглядит. Я также показываю держатель батареи AAA в верхнем левом углу, чтобы вы могли его видеть, но в конечном итоге он будет скользить под макетной платой. Я использовал карандаш, чтобы отметить монтажные отверстия для динамика и макетной платы. Оставьте не менее одного дюйма между нижним краем макетной платы и внутренним краем корпуса. Это даст достаточно места для установки держателя батареи под макетной платой. (Изначально я планировал поместить держатель батареи в другую половину корпуса, но мне пришло в голову, что частое открытие и закрытие корпуса в конечном итоге приведет к изгибу проводов батареи до точки разрыва в месте пайки на макетной плате).
Детали
|
Reference |
Qty |
Description |
|
PIR1 |
1 |
Motion Sensor |
|
BD1 |
1 |
Protoboard |
|
I16-COB20 |
1 |
Voice Recorder |
|
SP |
1 |
Speaker |
|
BATT1 |
1 |
Three AAA Battery Holder W/Wires |
|
Q1 |
1 |
Transistor, NTD3055 MOSFET |
|
U1 |
1 |
IC LM339 Comparator |
|
C1 |
1 |
Capacitor, 10 µF 16V Aluminum Electrolytic |
|
C2, C3 |
2 |
Capacitors, .1 µF Ceramic |
|
C4, C5 |
2 |
Capacitors, 1 µF Ceramic |
|
R1 |
1 |
Resistor, 2M, 1/4W |
|
R2, R3, R7 |
3 |
Resistors, 10K, 1/4W |
|
R4 |
1 |
Resistor, 1M, 1/4W |
|
R5 |
1 |
Resistor, 1K, 1/4W |
|
R6 |
2 |
Resistors, 100K, 1/4W |
|
SD1 |
1 |
Diode, Schottky 1N5711 |
На внешней стороне корпуса проведите две диагональные линии между монтажными отверстиями динамика. От пересечения отмерьте 3/4 дюйма вдоль каждой линии и сделайте отметку. Затем просверлите отверстие диаметром 1/4 дюйма на каждой из четырех отметок, а также на пересечении. Монтаж детектора движения с макетной платой Adafruit можно выполнить, как описано ниже. Разместите доску именно там, где вы хотите ее видеть. Аккуратно отогните ВЫХОДНОЙ контакт детектора движения на 90 градусов в сторону. Поместите два оставшихся штифта в отверстия на плате, обозначенные цифрой «10», и вдавите их в мягкую древесину корпуса достаточно сильно, чтобы сделать отметку, которую вы можете видеть. Снимите плату и просверлите маленькое (скажем, 1/16 дюйма) отверстие через самую дальнюю от динамика отметку. Затем закройте дверь и просверлите маленькое отверстие сверлом диаметром 9/16 дюйма, чтобы просверлить отверстие, достаточное для того, чтобы через него прошел детектор движения. На Рисунке 6А и Рисунке 6В показаны просверленные отверстия внутри и снаружи корпуса.

РИСУНОК 6А. Просверлите отверстия, видимые изнутри корпуса.

РИСУНОК 6В. Просверлите отверстия, видимые снаружи корпуса.
Еще один шаг, прежде чем детектор движения можно будет припаять к макетной плате, заключается в том, что конец вывода OUT, который вы согнули вбок, должен быть согнут вниз (скажем, на 1/16 дюйма) так, чтобы он находился на одной линии с двумя другими контактами. Затем все три контакта можно вставить в отверстия на макетной плате. БУДЬ ОСТОРОЖЕН! Детектор движения должен быть внизу платы. Все компоненты, ЗА ИСКЛЮЧЕНИЕМ детектора движения, будут находиться на ВЕРХУ платы. Штырь GND должен находиться во внешнем отверстии (обозначен синим «-»); контакт VDD должен быть во внутреннем отверстии (обозначен красным «+»); и штифт OUT (который вы согнули) должен быть в отверстии чуть ниже метки «10». На рис. 7 показана макетная плата, перевернутая вверх дном, чтобы вы могли видеть крепление детектора движения.

РИСУНОК 7. Монтаж датчика движения.
Далее нам нужны распорки, чтобы удерживать макетную плату от внутренней поверхности корпуса, чтобы купол детектора движения был на одном уровне с внешней поверхностью; Расстояние 3/4 дюйма подходит для этого. Для этого у вас могут быть винты и прокладки. Я сделал проставки из дерева. Кусок сосны размером 1x4 имеет толщину ровно 3/4 дюйма, поэтому я вырезал два куска шириной 1/2 дюйма и длиной два дюйма и приклеил их к внутренним сторонам ограждения. Затем я поместил макетную плату сверху с куполом детектора движения в отверстие в корпусе и просверлил два небольших отверстия для маленьких шурупов по дереву, чтобы удерживать макетную плату на месте. Просто будьте осторожны, когда начнете монтировать компоненты на макетную плату. Оставьте свободными 1/2 дюйма с левой и правой сторон макетной платы, потому что нижние стороны будут на одном уровне с приклеенными прокладками. На рисунке 8 показаны самодельные деревянные распорки.

РИСУНОК 8. Распорки макетной платы.
Обратите внимание, что я не пытался установить I16-COB20 или держатель батареи. I16-COB20, кажется, хорошо подходит рядом с динамиком, и провода, кажется, достаточно хорошо удерживают его на месте. При желании вы можете приклеить его горячим клеем. Держатель батареи просто скользит под макетной платой. Разводка макетной платы может выиграть от правильного размещения компонентов. Под этим я подразумеваю, что вы можете избежать большого количества проводов, разместив компоненты таким образом, чтобы воспользоваться макетом макетной платы. Обязательно подключите перемычки со стороны «-» вверху на сторону «-» внизу и то же самое со стороны «+» вверху на сторону «+» внизу. Сторона «-» — это «масса» аккумулятора. Одна ошибка, которую я сделал, заключалась в размещении Q1. Глядя на рис. 9 , я должен был расположить Q1 так, чтобы выступ стока был выше центральной линии, а линии затвора и истока — ниже центральной линии.

РИСУНОК 9. Вид изнутри после подключения.
Как я это сделал, все три контакта Q1 замкнуты вместе из-за того, как контактные площадки соединены вместе в нижней части платы Adafruit. Это было легко исправлено, вырезав канцелярским ножом следы на нижней части платы, но в следующий раз я сделаю это правильно. Еще одна ошибка, которую я неоднократно совершал при разводке, заключалась в том, что выводы компонентов помещались в отверстие «-», хотя на самом деле они должны были идти к SW_G. Земля батареи и SW_G НЕ совпадают. Я сделал ту же ошибку, когда подключил черный провод I16-COB20 к земле аккумулятора вместо SW_G. Это было более серьезно, потому что это означало, что I16-COB20 все время находился под напряжением, что быстрее разряжало батарею, и все же не было очевидным, потому что система работала нормально при срабатывании детектора движения. Я заметил это только тогда, когда случайно нажал кнопку PLAYE и услышал воспроизведение даже спустя много времени после того, как Q1 должен был отключиться. Держите провода к клеммам питания I16-COB20 и динамикам короткими. Это помогает удерживать доску на месте. Провод от контакта 1 U1 к I16-COB20 можно припаять к контакту PLAYE, ближайшему к микрофону, который является третьим контактом от угла. На рис. 9 показана внутренняя часть после завершения строительства. Детектор движения Parallax очень чувствителен; на самом деле слишком чувствительно для моей входной двери MEMO_BOX. Я хочу, чтобы он срабатывал ТОЛЬКО, когда я приближаюсь к двери; скажем три фута. Я пробовал несколько вариантов, включая частичное прикрытие купола и наведение его под разными углами. В конце концов, я обнаружил, что кусок нейлоновой оконной сетки над куполом работает замечательно. Однако, если вы используете его для чего-то вроде шутки на Хэллоуин, вам может понадобиться полная чувствительность. У меня есть один снаружи, который направлен вниз примерно под углом 45 градусов к горизонтали, и я приклеил двухдюймовый кусок ПВХ с внутренним диаметром 1/2 дюйма, чтобы сфокусировать купол и уменьшить ложные срабатывания из-за таких вещей, как мерцание солнечного света из-за движущегося ветрами дерева. проплывающие мимо ветки или облака. Как упоминалось ранее, разряд батареи составляет около 20 мкА, когда питается только датчик движения. После срабатывания схема потребляет около 60 мА, когда I16-COB20 активно управляет динамиком звуком, и около 1,1 мА, когда I16-COB20 больше не управляет динамиком, но продолжает получать питание, пока Q1 не отключится. Аккумуляторы типа ААА рассчитаны на 1000 мАч. Как долго должны работать наши батареи? Давайте воспользуемся следующим примером. Скажем, записанное сообщение длится пять секунд, и сообщение запускается 10 раз в день. Во время воспроизведения потребляемый ток составляет 60 мА в течение пяти секунд. Тогда потребляемый ток составляет 1,1 мА в течение оставшегося времени «включения питания», для которого мы будем использовать 14 секунд в качестве примера. Это означает, что 1,1 мА за 14-5 = девять секунд.
Итак, пять секунд — это сколько часов?
5 сек * (1 час/3600 сек) = 0,0014 часа
Умножьте это на 60 мА, и мы получим 0,083 мАч для активной части одного сообщения. Точно так же девять секунд составляют 0,0025 часа. Умножьте это на 1,1 мА, и мы получим 0,002 мАч (скажем, 0,003 мАч) для оставшейся части (тихой части) сообщения. Сложите их вместе, и мы получим 0,086 мАч на одно сообщение. Тогда для 10 сообщений у нас есть 0,86 мАч. Детектор движения постоянно питается током 20 мкА, что составляет 0,02 мА, поэтому один день составляет 24 часа * 0,02 мА = 0,48 мАч в день. Таким образом, за один день мы видим расход тока 0,86 мАч + 0,48 мАч = 1,34 мАч. Итак, сколько дней мы получаем от одного комплекта батареек ААА? (батареи 1000 мАч/ААА) / (1,34 мАч/день) = 746 дней на один комплект батарей (около двух лет) Для меня это звучит слишком оптимистично, но дело в том, что батарейки должны хватить на довольно долгое время. Мои идут около четырех месяцев, так что у меня еще нет настоящего числа. И, конечно же, если ваши сообщения длиннее пяти секунд или если ваш ящик срабатывает чаще, чем в нашем примере, 10 раз в день, то цифры уменьшаются. Регулятора громкости нет. Если это слишком громко, снова запишите сообщение более тихим голосом. Микрофон достаточно чувствительный. Переключателя ВКЛ/ВЫКЛ нет, но вы можете удалить одну батарею или даже добавить переключатель, чтобы разорвать провод батареи. Кнопки УДАЛИТЬ нет. Если вы хотите стереть сообщения без добавления нового сообщения, просто нажмите кнопку REC и отпустите ее, когда загорится красный светодиод. Когда вы открываете корпус и нажимаете кнопку REC или PLAYE и ничего не происходит, помашите рукой перед датчиком движения. Это активирует цепь. Если вам нужно больше времени, просто делайте это снова каждые несколько секунд, чтобы C1 оставался заряженным, а питание оставалось включенным. Вам не нужно ждать окончания воспроизведения, прежде чем вы сможете нажать кнопку REC. После записи сообщения помните, что цепь должна быть отключена, прежде чем датчик движения сможет снова запустить I16-COB20. Я понял это на собственном горьком опыте, когда записал сообщение, а затем неоднократно махал рукой перед детектором движения и удивлялся, почему я не слышу воспроизведение. Вы можете либо подождать 14 секунд, либо нажать кнопку PLAYE, но если вы будете стоять там вечно, мучая детектор движения, вы никогда не услышите воспроизведения, потому что вы держите C1 заряженным с каждым импульсом от детектора движения.
DOWNLOADS
