|
|
|
Научно-популярный образовательный ресурс для юных и начинающих радиолюбителей - Popular science educational resource for young and novice hams Основы электричества, учебные материалы и опыт профессионалов - Basics of electricity, educational materials and professional experience |
|
|
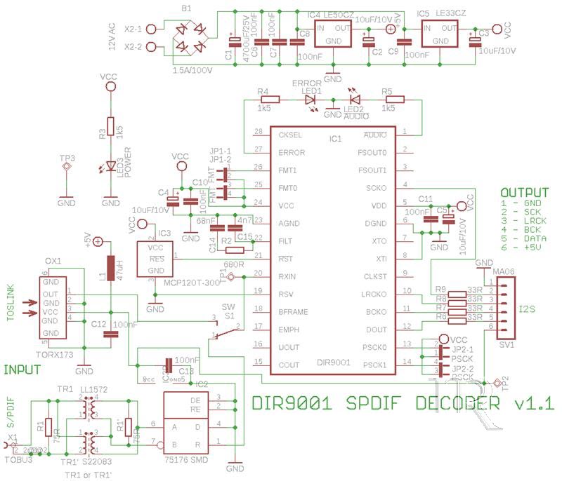
Для передачи цифрового аудио между устройствами применяется стандартный интерфейс S / PDIF (электрический) и TOSLINK (оптический) для коммерческого использования. Так же стандарт AES3 для профессионального использования. Модуль декодера S / PDIF используется для преобразования сигналов этого интерфейса в сигналы интерфейса I2S, который обычно используется на аудио ЦАП. Для преобразования можно использовать CS8416 или DIR9001. При подключении CS8416 у меня были проблемы сброса цепи в аппаратном режиме. Поэтому выбираю DIR9001 который работает отлично и имеет более низкое потребление.
Схема устройства
В секции мостового выпрямителя и сглаживающего конденсатора надо использовать LOW-DROP стабилизаторы напряжения IC4 LE50CZ и IC5 LE33CZ. На оптическом входе используется оптический приемник Ox1 Toshiba TORX173 с выходом TTL. На электрическом входе из-за гальванической развязки используется импульсный трансформатор TR1 и после него RS485 приемопередатчик IC2 75176 с выходом TTL. Лучшая форма сигнала получается с нагрузочного резистора 75R, подключенного до трансформатора. Для конструкции можно использовать трансформатор LL1572, S22083 или аналогичные. Схема на DIR9001 требуется внешний контур сброса. Я использовал имеющуюся MCP120T-300. Схема DIR9001 можете использовать часы из хрусталя или из входного сигнала. Схема содержит внутренний PLL без внешней задержки, принимает входной сигнал с частотой дискретизации 32, 44,1, 48, 88,2 и 96 кГц. Внутренний PLL требуется внешний фильтр, состоящий из R2, С14 и С15. Выходные сигналы GND, SCK, LRCK, ВСК, DATA и + 5V идет на шести контактный разъем, который предназначен для подключения ЦАП. POWER LED загорается, когда напряжение питания присутствует. Индикатор ОШИБКА загорается когда S/PDIF сигнал отсутствует или обнаружена ошибка. Светодиоды AUDIO загораются, когда получим сигнал S/PDIF не содержащий RAW PCM аудио данные. Например, если принимаются закодированные AC3 или DTS сигналы.


Печатные платы для размеров деталей 0805 и 1206.
Печатная плата имеет одностороннюю разводку и два проволочных соединения. Легко повторяется в любительских условиях. Выходной формат данных выбирается с помощью перемычек JP1-1 и JP1-2 подключенных к FMT0 и FMT1 выводам. Следующие два джампера JP2-1 и JP2-2 связанны с PSCK0 и PSCK1 штырьками выбора системного таймера, для предотвращения избыточной дискретизации. Микросхема имеет внутренний подтягивающий резистор 51K. Когда перемычка не подключена создается логический уровень L. При подключении переходит в H. Необходимо установить правильный формат вывода в отношении используемого ЦАП.
FMT[1:0] settings Audio data output format
FMT1 FMT0
L L 16-bit, MSB-first, right-justified
L H 24-bit, MSB-first, right-justified
H L 24-bit, MSB-first, left-justified
H H 24-bit, MSB-first, I2S
System clock settings
PSCK[1:0] settings Output clock from PLL
PSCK1 PSCK0 SCKO BCKO LRCKO
L L 128fs 64fs fs
L H 256fs 64fs fs
H L 384fs 64fs fs
H H 512fs 64fs fs
Надеюсь, что схема не вызовет особых трудностей в изготовлении и наладке

Готовый модуль декодера SPDIF
